
12年專注精密減速機生產、銷售廠家





| JD系列標注說明 | ||||||
| 產品系列 | 產品規格 | 級數 | 傳動比 | 背隙 | 輸出形式 | 備注 |
| JD | 90 | L1 | 5 | P1 | ||
| 42 60 90 110 |
L1:=1級 L2:=2級 |
L1: 3 4 5 7 10
L2: 9 12 15 16 20 25 30 35 40 50 70 100 |
P1=精密間隙 P2:標注間隙 |
S1=光軸輸出 無:帶鍵輸出 |
電機制造商及規格型號。可以直接提供輸出連接尺寸 | |

|
JD42-L1
|
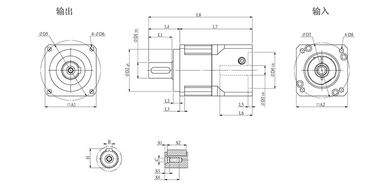
||||||||||||||||||||||||||
| D1 |
D2
|
D3
|
D4
|
D5
|
D6
|
D7
|
D8
|
L1
|
L2
|
L3
|
L4
|
L5
|
L6
|
L7
|
L8 | A1 |
A2
|
S1
|
S2
|
S3
|
S4
|
B
|
H
|
C
|
||
|
13
|
35
|
8
|
30
|
50
|
3.5
|
46
|
M4
|
19.5
|
5.5
|
4
|
26
|
3.5
|
27
|
60.3
|
86.3 | 42.6 |
42.6
|
2
|
16
|
4
|
12
|
5
|
15
|
M4
|
||
|
客戶定制
|
||||||||||||||||||||||||||
